Jun Luo, Shengyang Zhu, Wanming Zhai*. An advanced train-slab track spatially coupled dynamics model: Theoretical methodologies and numerical applications. Journal of Sound and Vibration, 2021, 501: 116059.
//doi.org/10.1016/j.jsv.2021.116059 

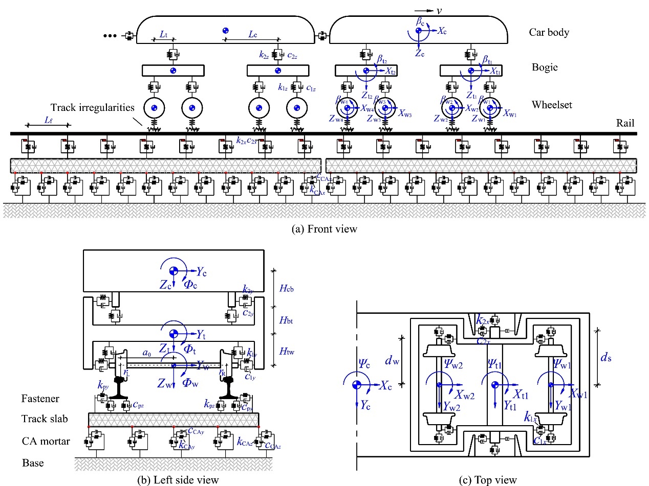
Fig. 1. A three-dimensional coupled dynamics model for the train-slab track system.